242 W042~63 模缩套与胶
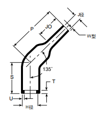
242W042~63 45°角套管
未受限制收缩后(b)

缩前
应用

专用于汽车、航空航天和军事应用中发动机周边的腐蚀性环境中,该模缩套部件可提供耐久保护、应力消除和360°全方位的环境密封。该45°角选件的出现,可提供更精确的定位和更大的设计自由度。

材料选择

编号                                                    材料                                                            预涂胶号                                                         热溶胶号
-3                                                        聚烯烃,半刚性                                        /42, /86                                                          S-1017或S-1048
-4                                                        聚烯烃,柔软                                             /42, /86                                                          S-1017或S-1048
-25                                                     人造橡胶,耐液体                                     /42, /86, /225                                              S-1017,S-1125或S-1048
-130                                                  聚烯烃,商用柔性                                      /42, /86                                                         S-1017或S-1048
-12                                                     氟橡胶                                                            N/A                                                                 S-1255-04
-100                                                  聚烯烃,Zerohal                                        /180                                                                S-1030

尺寸表

  H                                                                                                                       J    

部件号                                           最小值                                     最大值                                                                          最小值                                                      最大值
                                                              a                                                 b                                       a                                               a                                                     b -12,100
                                                                                                                                                        -12,100                                  -3,25                                                 -3,25
242W0423                                1.0[1.22]                                    17.9[.70]                            18.0[.71]                              31.0[1.22]                                         7.0[.28]
242W0533                                6.0[1.42]                                    22.1[.87]                            21.0[.83]                              36.0[1.42]                                         8.4[.33]
242W0634                                3.0[1.69]                                    27.9[1.10]                          25.0[.99]                              43.0[1.69]                                         9.9[.39]


P                                                   S                                      T                                         U                                    JO                                      W

部件号                                ±10%b                                      ±10%b                         ±10%b                           ±10%b                        ±10%b                         ±20%b
242W0423                      55.0[2.17]                                  35.0[1.38]                        3.5[.14]                            2.0[.08]                        25.0[.98]                         1.8[.07]
242W0533                      60.0[2.36]                                  40.0[1.58]                        3.5[.14]                             2.0[.08]                     30.0[1.18]                        2.0[.08]
242W0634                      65.0[2.56]                                  45.0[1.77]                        3.5[.14]                             2.0[.08]                     35.0[1.38]                        2.2[.09]

数据表
  • 242W042~63 45°角套管
    0.98 M