202G611~653 模缩套与胶
202G611~653螺纹套管

收缩前(a)
未受限制收缩后(b)
应用

用于为接头提供防磨损保护。设计灵活,可适应各种电缆多角度弯曲。安装在自旋耦合后附件上时,维修不需要加热,直接拧开接头后将模缩套往后压缩进行连接器维护。与粘胶配合使用时,可提供环境密封。

材料选择

编号                                                                    材料                                                                       粘胶                                                         

-55                                                                      含氟聚合物                                                          S-1255-04

                                                               


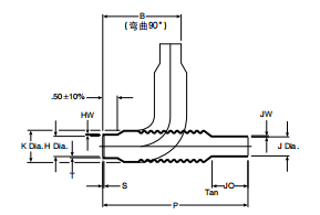
尺寸表

P

K

J

H

部件号                           最小值a                       最大值b                      最小值a                          最大值b                            最大值b                       ±10%b
202G611                     14.2[.56]                       6.9[.27]                     11.2[.44]                          4.8[.19]                            21.1[.83]                 120.7[4.75]
202G621                    26.6[1.05]                     11.7[.46]                   26.6[1.05]                        8.1[.32]                           26.6[1.05]               133.8[5.27]
202G632                    33.0[1.30]                     17.5[.69]                   33.0[1.30]                      12.7[.50]                           32.7[1.29]               151.1[5.95]
202G642                    35.5[1.40]                     22.3[.88]                   35.5[1.40]                      17.5[.69]                           37.8[1.49]               157.2[6.19]
202G653                    42.6[1.68]                    27.9[1.10]                  42.6[1.68]                      22.4[.88]                           42.9[1.69]               170.2[6.70]

      JO                               HW                                JW                                     S                                        T                                       B

部件号                         ±10%b                        参考值b                        参考值b                       参考值b                          参考值b                            Nom.b
202G611                    17.5[.69]                       1.0[.04]                          0.7[.03]                       1.0[.04]                          1.3[.05]                         62.5[2.46]
202G621                    19.9[.78]                       1.0[.04]                          0.7[.03]                       1.0[.04]                          1.3[.05]                         67.8[2.67]
202G632                    22.4[.88]                       1.0[.04]                          0.7[.03]                       1.0[.04]                          1.3[.05]                         73.4[2.89]
202G642                   25.4[1.00]                     1.3[.05]                           1.0[.04]                       1.3[.05]                          1.3[.05]                         78.2[3.08]
202G653                   28.4[1.12]                     1.3[.05]                           1.0[.04]                       1.3[.05]                          1.5[.06]                         82.8[3.26]

数据表
  • 202G611~653螺纹套管
    971.01 KB